Испытательный стенд МЕГЕОН 03000F
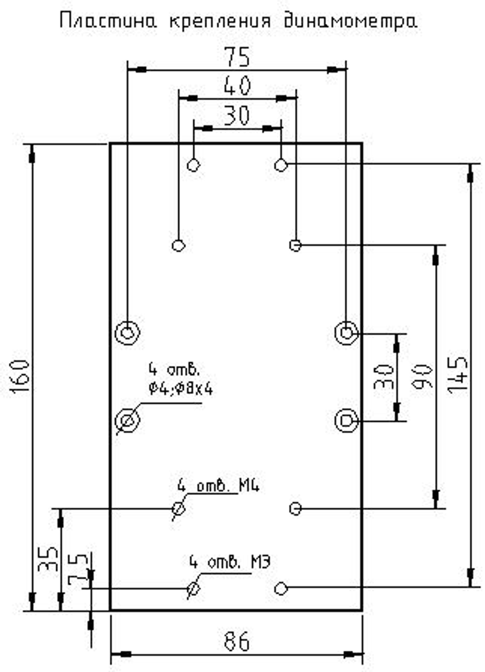
МЕГЕОН 03000F - это простой и удобный горизонтальный испытательный стенд растяжения-сжатия с рычажным механизмом подачи суппорта. Механизм перемещения суппорта имеет простую и надёжную конструкцию, состоящую из термообработанной зубчатой рейки и шестерни. Основные узлы конструкции имеют антикоррозионное покрытие, что в свою очередь увеличивает срок службы всего изделия. На трущиеся поверхности нанесены смазочные материалы. В комплекте имеется удерживающее устройство для устновки образца и ДВУ-001 для динамометра. Удерживающее устройства также имеет антикоррозионное покрытие. В прощадке устройства предусмотрены отверстия в форме паза для правильной установки. Ручной испытательный стенд МЕГЕОН 03000F совместим с динамометрами, как цифровой серии МЕГЕОН 03ХХХ, 53ХХХ, а также с аналоговыми динамометрами МЕГЕОН 04ХХХ.
Особенности:
- Может использоваться как с цифровыми, так и аналоговыми динамометрами
- Простое и надежное устройство обеспечивает долгий срок службы
- При изготовлении стенда использована качественная сталь
Краткие характеристики:
Комплект поставки:
- 1. Испытательный стенд МЕГЕОН 03000F - 1 шт.
- 2. Съёмная рукоятка механизма подачи - 1шт.
- 3. Удерживающее устройство - 1шт.
- 4. ДВУ-001 - 1шт.
- 5. Ключ шестигранный - 3шт.
- 6. Винты М5 - 5шт.
- 7. Руководство по эксплуатации- 1 экз.
|
Параметр |
Значение |
|
Максимальная нагрузка |
500Н |
|
Рабочий ход суппорта |
78 мм |
|
Диапазон регулировки положения суппорта |
172 ... 250 мм |
|
Высота от опорной площадки до штока динамометра* |
|
|
03ххх |
22 ... 100 мм (при креплении винтами М3) 58 ... 136 мм (при креплении винтами М4) |
|
04ххх |
47 ... 125 мм / 57 ... 135 мм (сжатие/растяжение) |
|
53ххх |
79 ... 157 мм |
|
Условия эксплуатации |
Температура: 0°С ... 60°С Относительная влажность: не более 85% без выпадения конденсата |
|
Условия хранения |
Температура: -40°С ... 60°С Относительная влажность: не более 85% без выпадения конденсата |
|
Габаритные размеры |
550 х 290 х 150 мм |
|
Вес |
9,3 кг |
* 03ххх, 04ххх, 53ххх – серия используемого динамометра. Высота указана от основания без учёта удерживающих приспособлений.
